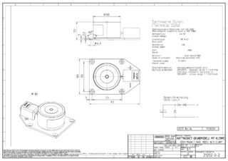
Hold-open magnet wall installation * For wall installation with base plate
- High retention force of 490N
- Concealed line-feed and robust design
Application Areas
- Use for hold-open angles up to 180°, ideal for exact holding open
- Use in harsh environments such as industrial buildings
- Places of public assembly and highly frequented sports venues
- Approved for GEZE hold-open systems
- Wall mounting
Technical data
| Hold-open magnet wall installation | |
| Dimensions | 93 x 65 x 33 mm |
| IP rating | IP65 Magnet; IP20 connection |
| Type of installation | Surface-mounted |
| Line-feed | Top, Below |
| Area of application | Inside |
Downloads
LABELLING OBLIGATION: © GEZE GmbH
Variants & Accessories
* Notice about the products displayed
The products mentioned above may vary in form, type, characteristics and function (design, dimensions, availability, approvals, standards etc.) depending on the country. For questions please contact your GEZE contact person or send us an E-Mail .